Duchas con hipoclorito y puertas 'enclavadas': así afrontan las Unidades de Alta Seguridad Biológica posibles casos de ébola

En España hay siete Unidades de Alta Seguridad Biológica en diferentes hospitales del país y se encargan del aislamiento y tratamiento de pacientes sospechosos de virus como el ébola
Todo el que entre en este área tendrá que salir tras darse una ducha descontaminante con hipoclorito sódico
Una mujer de 54 años está ingresada en una de estas unidades, en el Hospital Universitario de Donostia, por síntomas compatibles con el ébola
MadridMadrugada del jueves en la Unidad de Alta Seguridad Biológica, planta cero del edificio central del Hospital Universitario de Donostia. Acaban de comunicar al personal sanitario que está a punto de llegar una paciente con sintomatología compatible con el ébola. Se trata de una mujer de 54 años que había estado en República Centroafricana del Congo. Ante el riesgo de un caso de fiebre hemorrágica, se activan los protocolos de seguridad.
La paciente había sido trasladada inicialmente al hospital de Urduliz, en Bizkaia, pero de inmediato se decidió ingresarla en el centro hospitalario de la capital guipuzcoana. El porqué es muy claro. Este hospital tiene una de las siete unidades que hay en España de alta seguridad destinada a personas con enfermedades infecciosas graves. Las preguntas surgen de inmediato. ¿Cómo se trabaja dentro de ellas?, ¿qué estancias tienen estas unidades?, ¿qué protocolos utilizan? y sobre todo, ¿cómo son de seguras?
En NIUS vamos a contestar a todas estas cuestiones, analizando el caso concreto de Donosti. Así que volvemos a la planta cero, a la madrugada del jueves, donde un equipo sanitario está a punto de enfrentarse a sus horas más tensas.
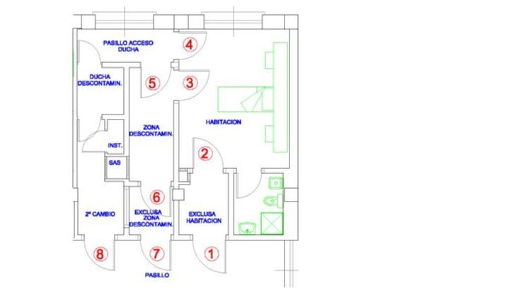
Cómo es la Unidad de Alta Seguridad Biológica
La unidad donde queda ingresada y aislada la mujer de 54 años es el Área de Hospitalización de Alta Seguridad Biológica. Allí se encuentra ubicada la habitación disponible y habilitada para pacientes con enfermedades infecto-contagiosas que requieren altas condiciones de seguridad. Es el caso del Ébola, pero también de otros virus como el de Marburgo o la fiebre de Lassa. Este espacio de seguridad extrema consta de:
- Una habitación para el paciente.
- Esclusa de entrada a la habitación del paciente.
- Zona de descontaminación.
- Esclusa de zona de descontaminación.
- Pasillo de acceso a la ducha de descontaminación.
- Zona para el segundo cambio.

¿Cómo se trabaja dentro de esta unidad?
Cada una de estas estancias o zonas está aislada del resto. Todas cuentan con un sistema de climatización que permite que el flujo de aire siempre vaya desde las zonas más limpias a las más contaminadas, y no al contrario.
Las puertas son automáticas y funcionan de dos maneras:
- Modo enclavamiento: Están enclavadas entre ellas para garantizar que no se puedan abrir simultáneamente puertas que generen traspaso de aire entre zonas que deben permanecer aisladas.
- Modo liberado: Estas pueden abrirse sin ninguna limitación.
La forma de funcionamiento se puede seleccionar. En caso de fallo de suministro eléctrico a las puertas, todas se quedarían cerradas.
También hay una ducha de descontaminación, que está instalada entre el pasillo trasero y la zona del segundo cambio. Las puertas que conectan estas estancias también están enclavadas entre ellas: mientras una puerta esté abierta, no se podrá abrir la siguiente, de esta forma se evitará la contaminación entre las distintas zonas. La persona que entra en la habitación siempre tendrá que salir tras una ducha de descontaminación por hipoclorito sódico. Cualquier equipamiento que entre en este área y después salga también pasará por un proceso de descontaminación con peróxido de hidrógeno.
Todas estas zonas tienen un sistema de intercomunicación que permite comunicar entre todas las zonas, mediante auricular o por sistema manos libres. La habitación del paciente cuenta con un PC que es supervisado desde control de enfermería.
Las unidades se crearon tras el caso de Teresa Romero en 2014
Todas estas medidas de seguridad son las que se están tomando en el caso sospechoso del Hospital Universitario de Donostia. Tras el primer caso de ébola confirmado en España, el de la sanitaria Teresa Romero en 2014, el Ministerio de Sanidad y las Comunidades Autónomas se pusieron manos a la obra para equipar a varios hospitales del país con Unidades de Alta Seguridad Biológica.
En total, siete centros hospitalarios cuentan con un Área de este tipo. El Hospital Universitario de Donostia tiene previsto acoger los casos que se produzcan en Euskadi pero también en comunidades limítrofes como Navarra, La Rioja o Cantabria.
¿Cómo se encuentra la paciente?
En el caso concreto del País Vasco, el subdirector Médico de la OSI Donostialdea de Osakidetza, Xabier Zubeldia, aseguraba este jueves que la posibilidad de que la mujer esté contagiada de ébola "es muy improbable". También ha remarcado que la paciente "está bien". Aún así se han seguido todos los protocolos de seguridad establecidos y se seguirán manteniendo hasta que las pruebas confirmen de qué se trata.
Zubeldia aseguró que la vida de la paciente no corre peligro pero que habrá que estar muy atentos a su evolución "en las siguientes horas e incluso días". "Puede ser que igual en cuatro días todo vaya bien o que se alargue un poquito más y estemos hablando de una semana o díez días", explicaba el médico. También comentaba que había "más pruebas pendientes, además del ébola" e incidía en que "puede haber muchas cosas, el diagnóstico diferencial es muy amplio y son muchas las enfermedades que se pueden dar, hay que esperar a los resultados y ver cómo responde al tratamiento". "Estamos tranquilos, no es una situación de riesgo para la población, vemos que la situación en este momento está estable y controlada", concluía Zubeldia.
